Geberit, Grohe czy TECE – jaki stelaż WC wybrać?
Porównujemy trzy najpopularniejsze systemy stelaży WC: Geberit, Grohe i TECE. Zobacz, czym się różnią, jakie mają warianty montażowe i jakie przyciski pasują do konkretnego designu łazienki.
Ustaw jedną częstotliwość dostaw dla wszystkich produktów subskrypcyjnych z twojego koszyka co:
Geberit Duofix Omega H82 to niskozabudowany stelaż podtynkowy szwajcarskiego producenta, który idealnie nadaje się do łazienek z ograniczoną przestrzenią – np. pod oknem, na poddaszu lub w mniejszych toaletach. Mimo kompaktowych wymiarów zapewnia pełną funkcjonalność i trwałość. Jeśli szukasz stelaża, który z łatwością zmieści się nawet w trudnej zabudowie, model H82 Omega to doskonały wybór. Dostępny od ręki w hurtowni domwroc24.pl – Wrocław.
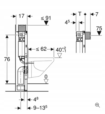
Dzięki możliwości instalacji przycisku spłukującego na trzech wysokościach, model ten pozwala na maksymalne dopasowanie do układu łazienki – nawet jeśli przestrzeń nad stelażem jest ograniczona np. przez okno czy blat.
Uwaga: wsporniki montażowe nie są częścią zestawu. Aby poprawnie zainstalować stelaż, należy dokupić odpowiednie wsporniki, dostępne tutaj: Wsporniki do stelaża Geberit Duofix.
Przycisk spłukujący nie jest częścią zestawu – dobierany osobno (kompatybilne modele z serii Geberit Omega: Omega20, Omega30, Omega60).
Geberit Duofix Omega został zaprojektowany z myślą o trwałości i prostym montażu. Pasuje zarówno do budownictwa jednorodzinnego, jak i mieszkań w zabudowie wielorodzinnej. Można go montować w ściankach instalacyjnych, systemach lekkiej zabudowy lub przed ścianą murowaną – po dokupieniu wsporników montażowych.
Szukasz stelaża podtynkowego Geberit Omega H82 we Wrocławiu? Hurtownia domwroc24.pl oferuje ten model od ręki, z możliwością odbioru osobistego lub wysyłki kurierskiej na terenie całej Polski.
Jako autoryzowany sprzedawca produktów Geberit oferujemy pełne wsparcie – zarówno dla klientów indywidualnych, jak i instalatorów.
To najczęściej wybierany model Geberit do niskiej zabudowy – oferujący te same zalety co większe stelaże, przy znacznie niższej wysokości. Jest to również dobry wybór w przypadku modernizacji instalacji lub gdy trzeba dostosować stelaż do istniejących warunków przestrzennych.
Wybór odpowiedniego stelaża to nie tylko kwestia wymiarów – to także dopasowanie funkcji, łatwości montażu i dostępności serwisu. W porównaniu do stelaży Sigma (np. H112), model Omega H82 oferuje:
Geberit to marka znana z niezawodności i trwałości – potwierdzona licznymi certyfikatami i doświadczeniem setek tysięcy instalatorów w całej Europie.
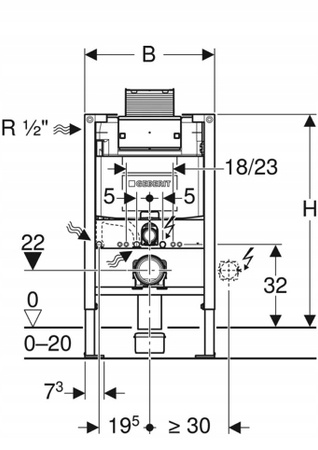
Stelaż Omega H82 pasuje do większości dostępnych na rynku misek WC wiszących o rozstawie śrub montażowych 180 lub 230 mm. Dzięki zastosowaniu standardowego odpływu Ø90 mm z redukcją na Ø110 mm, nie ma problemu z połączeniem z istniejącymi instalacjami kanalizacyjnymi.
Cały montaż można wykonać samodzielnie lub z pomocą instalatora. W razie potrzeby – nasi doradcy techniczni służą pomocą!
Jeśli szukasz kompaktowego, funkcjonalnego i niezawodnego stelaża do WC, który zmieści się nawet w trudnych warunkach zabudowy, Geberit Duofix Omega H82 to idealne rozwiązanie. Łączy nowoczesność, komfort montażu i najwyższą jakość wykonania.
Zamów teraz w domwroc24.pl lub odwiedź nasz punkt we Wrocławiu. Oferujemy szybki odbiór, wysyłkę i fachowe doradztwo. Pamiętaj, aby do zestawu dobrać odpowiednie wsporniki montażowe, które umożliwiają stabilne zamocowanie stelaża.
Gwarancja Geberit - 10 lat

Porównujemy trzy najpopularniejsze systemy stelaży WC: Geberit, Grohe i TECE. Zobacz, czym się różnią, jakie mają warianty montażowe i jakie przyciski pasują do konkretnego designu łazienki.