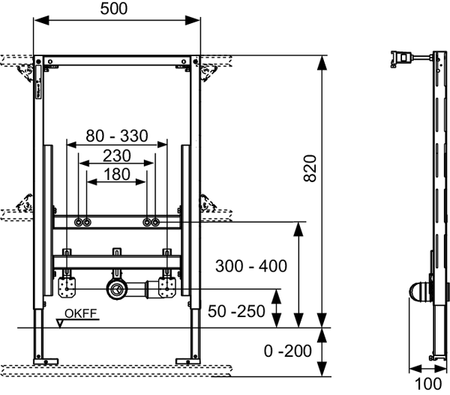
TECEprofil stelaż do bidetu podwieszanego, wysokość montażowa 820 mm
- Stelaż TECEprofil 9330005 do bidetu podwieszanego o wysokości montażowej 820 mm. Idealny do niskiej zabudowy. Kup online lub stacjonarnie we Wrocławiu – domwroc24.pl
Produkty subskrypcyjne w twoim koszyku
Ustaw jedną częstotliwość dostaw dla wszystkich produktów subskrypcyjnych z twojego koszyka co:
Produkty subskrypcyjne w twoim koszyku
TECEprofil 9330005 – kompaktowy stelaż podtynkowy do bidetu podwieszanego, wysokość 820 mm
TECEprofil 9330005 to kompaktowy stelaż podtynkowy zaprojektowany z myślą o montażu bidetu podwieszanego w niskiej zabudowie. Wysokość montażowa 820 mm pozwala na instalację w miejscach z ograniczonym dostępem lub pod skosami. Solidna konstrukcja i zgodność z systemami zabudowy lekkiej czynią ten model doskonałym wyborem zarówno dla profesjonalnych instalatorów, jak i klientów indywidualnych.
Produkt dostępny od ręki w hurtowni domwroc24.pl we Wrocławiu – możesz zamówić online lub odebrać osobiście.
Niska wysokość – pełna funkcjonalność
Wysokość montażowa 820 mm sprawia, że stelaż idealnie nadaje się do łazienek na poddaszu, sanitariatów z niskim sufitem lub wszędzie tam, gdzie tradycyjne rozwiązania nie wchodzą w grę. Pomimo kompaktowych wymiarów, stelaż TECEprofil 9330005 zapewnia stabilność i trwałość, jakiej oczekujesz od niemieckiego producenta.
Trwała konstrukcja z ocynkowanej stali
Rama stelaża wykonana została z ocynkowanej stali lakierowanej proszkowo, co zapewnia odporność na korozję i wieloletnią trwałość nawet przy intensywnym użytkowaniu. Produkt przeznaczony jest do montażu w systemach lekkiej zabudowy (np. płyty g-k), a jego konstrukcja umożliwia przykręcenie zarówno do ściany, jak i podłogi.
Uniwersalny rozstaw śrub
Model 9330005 pozwala na zamocowanie bidetu o rozstawie śrub 180 mm lub 230 mm. W zestawie znajduje się również kolanko odpływowe Ø50 mm oraz wszystkie elementy niezbędne do montażu.
Specyfikacja techniczna:
- ✅ Wysokość montażowa: 820 mm
- ✅ Głębokość zabudowy: min. 160 mm
- ✅ Rozstaw śrub mocujących: 180 lub 230 mm (regulowany)
- ✅ Odpływ: poziomy Ø50 mm
- ✅ Materiał: stal ocynkowana + lakier proszkowy
- ✅ Montaż: do ściany i/lub podłogi
Idealny wybór do małych łazienek we Wrocławiu
Model 9330005 cieszy się dużą popularnością wśród wykonawców z Wrocławia i okolic, którzy realizują projekty w lokalach z ograniczoną przestrzenią – np. w kamienicach, mieszkaniach na poddaszu, czy łazienkach przystosowanych dla dzieci lub osób z niepełnosprawnościami. Produkt dostępny w hurtowni domwroc24.pl z natychmiastową wysyłką lub odbiorem osobistym.
Dlaczego warto wybrać TECEprofil 9330005?
- 📏 Kompaktowa wysokość 820 mm – do niskiej zabudowy
- 🔧 Uniwersalny rozstaw śrub do większości bidetów
- 💪 Solidna rama stalowa – trwałość na lata
- 🧰 Kompletne wyposażenie montażowe w zestawie
- 📍 Odbiór osobisty lub szybka wysyłka z Wrocławia
Zastosowanie praktyczne
Stelaż TECEprofil 9330005 polecany jest do projektów mieszkaniowych, łazienek hotelowych, toalet gościnnych oraz inwestycji z ograniczoną przestrzenią montażową. Dzięki uniwersalności i kompaktowym rozmiarom jest bardzo elastyczny pod względem zastosowania – zarówno w nowych, jak i modernizowanych wnętrzach.
Gdzie kupić?
Stelaż dostępny od ręki w hurtowni domwroc24.pl we Wrocławiu. Obsługujemy instalatorów, deweloperów i klientów indywidualnych – oferując sprawdzone produkty, konkurencyjne ceny oraz doradztwo techniczne.
Podsumowanie – TECEprofil 9330005
- 📦 Kompaktowy stelaż do bidetu podwieszanego
- 📏 Wysokość montażowa 820 mm
- 🔩 Uniwersalny rozstaw śrub: 180 / 230 mm
- 🧱 Montaż do ściany i podłogi
- 🚚 Szybka wysyłka lub odbiór osobisty we Wrocławiu
Szukasz niezawodnego stelaża do bidetu do zabudowy niskiej? TECEprofil 9330005 to idealny wybór. Kup stacjonarnie w domwroc24.pl lub zamów online z dostawą prosto z Wrocławia.
Gwarancja Geberit - 10 lat







